이 글은 전자블록 공식사이트의 ‘전자블록 mini가 탄생하기까지’ 라는 글을 2017년에 한국어로 번역한 것을 다시 정리한 것입니다.

“갓켄 전자블록을 어른의 과학 매거진의 부록으로 제공할 수 있을까?” → “해냈습니다!”
부록으로 제공되기를 원하는 제품 앙케이트에서 1위를 차지했던 전자블록이 어른의 과학 매거진 32호의 부록 ‘전자블록 mini’가 되기까지의 과정을 개발자로부터 들어봅니다.
1. 계기는 독자 앙케이트
“옷, 이것도 전자블록이네.”
이야기는 1년 전(2010년)의 초여름으로 거슬러 올라간다. 어른의 과학 매거진의 다음 부록을 결정할 시기가 다가오고 있었다. 본지는 부록의 후보를 독자가 선택할 수 있는 앙케이트 엽서가 붙어 있다. 마침 27호(부록은 8비트 마이컴 ‘재패니노: Japanino’)의 엽서가 돌아오기 시작했다.

이전부터 어른의 과학 제품판의 전자블록(EX-150)을 부록으로 만들자는 이야기는 있었지만 우선 독자에게 물어 보기로 하고 부록의 후보에 올려 보았다.
결과는 단연 1위였다. 역시 전자블록의 인기는 뿌리 깊다. 다만 이미 제품판이 있기 때문에 편집부 내에서도 어디에 중점을 두고 개발할 것인가에 대한 의견이 엇갈렸다. 추억을 되살리는 방향으로 할 것인가, 새로운 기능인가, 교재로서의 적합성인가. 물론 모든 것을 만족할 수 있다면 문제될 것이 없지만 비용에는 한계가 있다. 잡지의 부록으로 제작되는 것인만큼 아무리 비싸도 4,000엔을 넘지 않는 3,000엔대로 내고 싶다. 제품판이 세금 포함 12,310엔인 제품을 3분의 1 가격으로 만들어야 하는 것이기에 벽은 매우 높았다.
독자가 원하는 것을 좀 더 자세히 알아보기 위해 앙케이트 엽서에서 전자블록을 부록으로 선택한 독자 중 무작위로 200명 이상을 선택해 다시금 특별 앙케이트를 실시했다. 그 결과 제품판 전자블록을 가지고 있는 사람은 약 15%로 의외로 적었고 그 중에는 복각판이나 복각신장판이 새로 발매되어 있는 것을 모르고 있는 사람도 있었다. 그럼에도 불구하고 역시 전자블록 그 자체는 어린 시절, 동경했거나 어딘가의 상점에서 보거나 하여 알고 있는 사람이 많았다.
이를 통해 독자들은 디자인을 일신한 신제품을 원하는 것이 아니라 블록 등은 오히려 예전 그대로인 상태로 라디오나 앰프, 거짓말 탐지기 등의 기본적인 회로를 되도록이면 많이 만들 수 있는 것을 원한다는 것을 알게 되었다.
이외에도 아이와 함께 공부할 수 있는 제품이나 기존의 제품판과의 호환성을 원하는 경우도 적지 않았다.
이로서 개발 방침이 확정되었다. 전자블록의 디자인은 유지하면서 기능을 최대한 삭제하지 않고 최대의 비용 효율성을 목표로 한다. 이렇게 제품 개발이 시작되었다.
2. 블록은 적게 회로는 많게
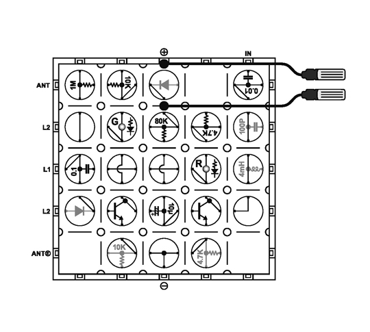
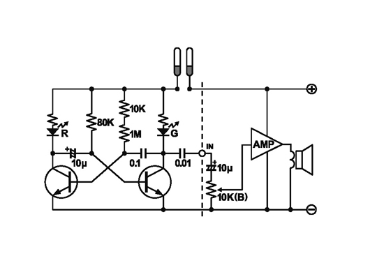
전자블록 mini의 구성 요소를 단순하게 나누면 본체와 블록의 2가지에 불과하다. 블록에 넣을 수 없는 전자 부품은 본체에 넣는 수 밖에 없다. 하지만 부록의 크기는 결정되어 있기 때문에 본체 자체를 너무 크게 만드는 것은 불가능하다. 기본적인 기능을 유지한다고 하는 명제에 따라 검토한 결과 최소한으로 남겨진 것은 앰프, 스피커, 볼륨, 안테나 코일이었다. 이를 통해 라디오, 앰프, 거짓말 탐지기 등 인기 회로를 구성할 수 있도록 하기 위해서이다. 제품판에 사용된 미터와 조도 센서(CdS: Cadmium Sulfide; 황화 카드뮴), 그리고 가변 콘덴서(Variable Condenser)는 눈물을 머금고 제거할 수 밖에 없었다. 가변 콘덴서는 라디오의 주파수 튜닝에 사용되는 부품이지만 튜닝 방식을 코일에 페라이트 코어(Ferrite core)를 넣고 빼는 μ 동조라고 하는 방식으로 바꾸어 해결할 수 있다.

이어서 블록을 검토하기 시작했다. 필수적이라고 여겨지는 전자 부품인 트랜지스터, 다이오드, 고주파 코일을 하나씩 넣고 거기에 여러 값과 용량을 가진 저항과 콘덴서, 필요한 리드(Lead) 블록을 준비했다. 안타깝게도 다른 블록에 비해 단가가 높은 변압 드라이버(Transformer Driver), 리드 선으로 대체 가능한 키 스위치 블록은 생략했다. 변압 드라이버를 제외하면 제작 가능한 회로 수가 급격히 줄어들게 되지만 이에 대해서는 이미 대응책을 생각하고 있었다. 또한 새로운 부품으로 소형 전구 대신 LED를 채용했다.
처음에는 4×5열을 구상하고 있었다. 제품판의 회로집을 참고하여 몇 종류의 회로를 구성할 것인지 매일매일 검토가 계속되었다. 검토 결과 이 정도의 블록으로는 많아야 15종류 밖에 만들 수 없을 것 같았다. 어떻게 해도 블록이 부족한 상황이었다. 따라서 부족한 블록을 추가하여 5×5, 6×6열로 구성을 계속 반복하여 검토해 나갔다.
제품판의 3분의 1 가격으로 3분의 1 만큼의 회로를 제작하게 하고 싶다는 것이 애초의 목표였다.
6×6열의 구성이라면 상당히 여유있게 50개의 회로를 만들어 낼 수 있을 것 같았다. 하지만 비용을 생각하면 아무래도 예산을 넘어서게 된다. 이 시점에 울트라 C의 아이디어가 나왔다. 그것은…
3. 환상의 ‘수제 블록’ 안
6×6열로 구성허게 되면 36개의 블록이 필요하다. 그러면 어른의 과학의 부록이라는 형태로 상품화하는 입장에서는 이 블록을 수백만 개 생산해야만 한다.
블록의 제조에는 전자 부품 자체의 단가 외에도 블록 하나하나에 전자 부품을 넣어 조립하는 공임이 필요하다. 블록 안에 각각 형상이 다른 전자 부품을 넣으려면 어쩔 수 없이 사람이 직접 손으로 납땜할 필요가 있다.
여기서 블록 자체를 독자 여러분이 제작하게 하는 것은 어떨까라는 안이 부상했다. 어른의 과학에는 물건을 만드는 것 자체를 즐기는 독자가 많고 거기에 부록에 포함되어 있지 않은 자신이 좋아하는 전자 부품을 넣을 수 있다는 장점이 있기에 나온 안이었다.

오른쪽 사진은 저항을 붙인 것.
그런데 블록 제작을 위해 납땜을 해야 하면 각자가 가지고 있는 납땜 기술의 격차로 인해 사람에 따라서는 작업한 블록이 작동하지 않을 수도 있다. 그래서 블록의 아래 3분의 1을 별도 부품으로 제작하고 리드(Lead)가 되는 금속 선과 전자 부품의 다리 등을 감은 다음, 나머지 위쪽 3분의 2에 해당하는 부분으로 위에서부터 뚜껑을 씌우는 방법을 고안했다. 감은 금속 선은 바깥으로 노출되기 때문에 잘 접촉되기만 하면 기능적으로는 완벽히 동작한다. 더군다나 공장에서 납땜을 할 필요가 없기 때문에 단가도 상당히 낮출 수 있다.
실제로 시제품을 만들어 편집부에서 테스트해 보았다. 블록을 만드는 작업 자체는 간단했기 때문에 누구나 할 수 있을 것 같았다. 36개의 블록을 만드는데 1시간이면 충분했다. 하지만 실제로 회로를 구성해 보면 같은 회로를 만들어도 제 성능이 나오지 않는다. 문제는 접촉이었다. 감은 선으로만 접촉하게 하는 것은 아무래도 불안정했다.
블록의 접촉 방식은 전자블록의 영원한 과제였는데, 60년대에 만들어진 SR 시리즈에서는 블록의 아래쪽에 금속 단자를 달아서 본체의 구멍에 끼우는 방식으로 본체 쪽에 금속 선이 들어가 있어 이를 통해 접촉이 이루어졌다. 이는 마치 현대 전자 공작에서 활발히 사용되고 있는 브레드 보드(Bread Board)와 같은 구조였다. 이후의 ST 시리즈부터는 바깥으로 휘어져 있는 금속 조각을 블록의 바깥쪽에 달아두고 그 탄성을 이용하여 접촉시키는 방법이 개발되었다. 블록의 탈착 시에는 스프링에 적당한 텐션이 걸려 더 확실히 접촉이 이루어졌다.
하지만 이번에 구상한 수제 블록의 선에 의한 접촉으로는 안정적인 회로가 구성되지 않는다. 결국 이 기사회생이라 여겨졌던 안은 포기하게 되었다.
결국 EX 시리즈와 같은 방식의 블록을 만들 수 밖에 없다. 블록은 5×5열로 25개로 구성하고 그 중에서 최선의 50개의 회로를 구성하기 위해 소프트웨어쪽을 강화하는 것으로 방침을 변경했다.
이에 더해 더 세세하게 각각의 부분을 하나하나 재검토했다. 본체에서 각인과 인쇄로 구성했던 부분을 스티커로 변경하고 블록의 회로 기호를 은 도금 인쇄에서 흰색의 실크 인쇄로 변경했다. 이러한 세세한 변경을 통해 비용 효율을 더 끌어올리기 위해 노력했다.
하지만 과제는 아직 전자 부품 그 자체에도 남아 있었다.
4. 전자 부품의 생산과 입수
전자블록의 회로 중에서 가장 중심이 되는 것은 라디오이다. 라디오 회로에는 많은 방식이 존재하기 때문에 아날로그 전자 회로의 기초를 학습하기에는 안성맞춤이다.
라디오 회로에는 몇 가지의 포인트가 있다. 먼저 본체 쪽에 들어가 있는 안테나 코일이다. 이미 앞에서 이야기한 바와 같이 가변 콘덴서를 사용하지 않기 때문에 이번에는 안테나 코일 부분이 동조도 함께 담당한다. 기성품의 코일은 이번 부록에 잘 맞지 않았기 때문에 새로 생산하기로 결정했다. 코일의 성능은 코일에 감기는 선과 코어의 재료로 결정된다. 중국에서 몇 종류의 페라이트 코어를 들여와서 테스트로 만든 부품에 포함한 다음 여러 종류의 코일 선을 감아 보았다. 페라이트 코어의 길이는 부록의 케이스 크기로 정해져 있기 때문에 그 길이 내에서 AM 라디오의 전체 주파수가 들리도록 코일 선의 두께와 감는 회수를 결정해 갔다. 하지만 주파수 대역 500~1600 kHz 전체에 대응 가능한 페라이트 코어와 감는 회수의 조합이 좀처럼 발견되지 않는다. 1, 2차 코일의 감는 회수 뿐만 아니라 위치 관계 등 다양한 검증 작업 끝에 드디어 최상의 조합이 결정되었다. 사실 이번 안테나 코일에는 라디오 동조 이외에도 또 하나 큰 역할을 부여했다. 그것은 변압 드라이버를 대체하는 역할이다. 그 쪽은 어렵지 않게 해결할 수 있었다.

그런데 안테나 코일의 개발과 동시에 또 하나의 난관에 봉착했다. 그것은 바로 게르마늄 다이오드의 입수였다. 다이오드에는 게르마늄과 실리콘의 두 가지 형태가 있지만 라디오 회로에는 게르마늄 쪽의 성능이 좋다. 전자블록으로 만드는 라디오 회로도 게르마늄 다이오드를 사용하는 것을 전제로 하고 있다. 하지만 지금으로서는 게르마늄 다이오드는 일본은 커녕 중국이나 동남아시아에서도 입수가 어려운 전자 부품 중 하나이다. ‘게르마늄’이라고 해서 입수했던 대용품이 테스트하는 과정에서 성능이 나오지 않아 여러모로 잘 조사해 보니 실리콘이었다던지 하는 일은 비일비재했다. 이 문제에 대처하기 위해서는 시간을 들여서 탐색하고 발견한 제품을 검증하는 수 밖에 없었다.
이 외에도 과제였던 전자 부품이 있다. 심장부라 할 수 있는 트랜지스터다. 애초에 전자블록이라고 하는 상품이 개발된 계기 중 하나가 트랜지스터였다. 이 부품 하나로 아날로그 전자 회로의 세계는 비약적으로 확장되었다. 그만큼 전류를 증폭하고 제어하는 역할은 중요하다.
2002년에 복각판을 제작할 때도 트랜지스터의 선정에는 엄청나게 시달렸었다. 오리지널판이 나왔던 1976년 당시의 트랜지스터는 이미 생산 중지되어 그에 상당하는 유사 제품을 사용했다. 상당 제품이기에 동일한 성능이 나오는 것을 전제로 하고 있지만 의외로 품질 차이가 있다. 따라서 대량으로 구매하여 사용 가능한 것들을 선별하고 나머지는 버릴 수 밖에 없었다. 그리고 이러한 수율 문제는 비용에 그대로 반영되어 버린다. 상당 제품이라고는 하지만 어떤 수준의 트랜지스터를 입수하느냐는 큰 포인트다. 수율이 좋고 품질도 안정되어 있는 트랜지스터를 찾기 위해 매일 검토가 계속되었다. 중국 쪽에서 샘플을 보낼 때마다 블록에 삽입하여 회로를 구성하고 성능을 검사했다.
이러한 노력 끝에 최종 사양이 결정된 것은 8월 상순이었다. 11월 말에 발매 예정인 것을 고려하면 매우 아슬아슬한 스케줄이었다.
5. 전자블록 mini의 최종 사양
어른의 과학 Vol. 32 ‘전자블록 mini’는 2011년 11월 30일에 발매된다. 이번에는 최종적인 부록의 사양에 대해 알려드리고자 한다.
블록 수는 25개로 본체는 손바닥보다 약간 큰 크기이다. 휴대가 가능하도록 스트랩을 연결할 수 있는 돌기도 달았다. 주요 전자 부품으로는 IC 앰프, 안테나 코일 (이상 본체 내장), 트랜지스터, 다이오드, LED, 저항, 콘덴서, 고주파 코일 (이상 블록). 부속품은 특제 크리스탈 이어폰, 마이크 커버, 리드 선 2개이다. 전원은 AA 타입 (단4형) 건전지 3개(별매)를 사용한다.
가능한 회로 수는 모두 50 종류. 내역을 살펴 보면, 검사 회로가 2 종류, 기본 회로가 8 종류, 앰프 회로가 3 종류, 라디오 회로 관련이 9 종류, 발진 회로(Oscillator)가 3 종류, 멀티 바이브레이터(Multivibrator)가 6 종류, 타이머 회로가 3 종류, 논리 회로가 5 종류, 거짓말 탐지기와 같이 즐기는 용도의 회로가 11 종류이다. 그리고 제품판의 전자블록(EX-150)에는 없는 새로운 회로로는 ‘트윈 T형 발진 회로’, ‘슈미트 트리거(Schmitt Trigger)식 타이머’, ‘달링턴(Darlington) 러브 테스터’ 등을 추가했다. 어떤 회로일지 기대해 주시기 바란다.

오른쪽은 ‘달링턴 러브 테스터’로 다른 사람과의 상성 체크를 즐길 수 있다.
본지에서는 악기나 LED 디스플레이, 방사선 감지기1 등의 부록 개조 예와 8비트 마이컴인 재패니노(Japanino) 또는 아두이노(Arduino)와의 연동 응용 예를 소개하고 있다. 또한 블록은 제품판의 전자블록(EX-150)과 호환성이 있으므로 제품판의 블록을 사용한 회로의 작성 예도 게재하고 있다.
본지의 회로집에서는 블록 배치도와 회로도 뿐만 아니라 해설에도 지면을 할당하고 있다. 전기 초보자도 가급적 아날로그 전자 회로의 기초를 이해할 수 있도록 하기 위해 알기 쉬운 해설을 준비했다. 초등학교에서 배우는 ‘전기의 통로’부터 시작하여 중 · 고등학교에서 배우는 전기학의 기초까지 보고 만지고 체험하면서 학습할 수 있도록 준비했다. 따라서 교재로도 충분히 이용 가능하다.
물론 지식을 배우는 것에 그치지 않고 응용 예제로 즐거운 회로도 많이 준비했다. 부자 간의 커뮤니케이션 도구로서도 즐길 수 있을 것이다. 자신이 직접 즐기는 것은 물론 자녀의 크리스마스 선물로 고려해 주신다면 개발자로서는 행복할 따름이다. 지금 이 시점에도 전자블록에는 꿈과 희망이 담겨 있다.
어른의 과학.net 한정 회로 ‘전자 아기새’
본지의 회로집에도 나오지 않는 어른의 과학.net 한정의 비밀 회로입니다. (특별한 개조는 필요하지 않습니다.) 리드 선의 단자를 접촉시키면 녹색과 붉은색의 LED가 점멸하면서 스피커에서 삐약삐약하고 우는 아기새의 소리가 들립니다.


- 측정은 불가능하다. ↩︎